6110-4643
Sumitomo, Connettore Lock Type 250 Unsealed Maschio, 4 Vie
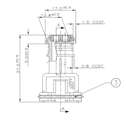
TE Connectivity, Connettore, Automotive, Femmina, 2 Vie
Qualità certificata
I componenti sono tutti controllati secondo le nostre procedure interne.
Connettore Automotive Femmina a 2 Vie
16 altri prodotti della stessa categoria:
Sumitomo, Connettore Lock Type 250 Unsealed Maschio, 4 Vie
Sumitomo, Gommino Passacavo a Tenuta Stagna, 6mm
Connettore, 16 vie Maschio Con ritenuta ITT Cannon
Amphenol Industrial, Connettore Boccola Nero, ideato per MS3057A
La confezione comprende 1 connettore maschio 6189-6171 6 Terminale 1500-0105 6 Gommini tenuta stagna 7160-8234
Hung Fu, Cavo, Flat, 28AWG, 300V, 20 Pin
Sumitomo, Gommino Passacavo a Tenuta Stagna, 5.7mm La confezione comprende 10 pezzi
Piher, Perno per trimmer esagonale, per serie PT10 e PTC10 Compatibile con: PT10MV11-472A2020
TE Connectivity, Connettore, Plug, Striscia di Polarizzazione, Eurocard, C, D, R
ITT Cannon, Cavo, Flat, 28AWG, 300V, 25 Pin
error La tua recensione non può essere inviata