PCA82C251T/YM,112
NXP, Ricetrasmettitore, Half, Duplex, 4.5V, 5.5V, 85mA, SO, 8 Pin, SMD ▣
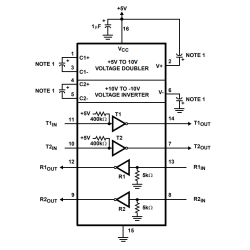
Intersil, Ricetrasmettitore, 5V, 120kbps, 16 Pin, RS-232, THT
Qualità certificata
I componenti sono tutti controllati secondo le nostre procedure interne.
La quantità minima ordinabile per questo prodotto è 10.
Ricetrasmettitore, 5V 120kbps, 16 Pin RS-232 THT
16 altri prodotti della stessa categoria:
NXP, Ricetrasmettitore, Half, Duplex, 4.5V, 5.5V, 85mA, SO, 8 Pin, SMD ▣
Maxim, Analog Devices, Driver, Transricevitore, Multicanale, 5V, 2 Canali, 200kbps, RS-232, SOIC, 20 Pin, SMD
Maxim Integrated, Ricevitore GPS, 28 Pin, 3.3V, 1.57542
Texas Instruments, Ricetrasmettitore, Half Duplex, 3V-5.5V, 8-SOIC, SMD
Nexperia, Ricetrasmettitore di traslazione, Doppia alimentazione, 3-State, 5.5V, VSSOP-8
Texas Instruments, Ricetrasmettitore, 1MBps, 8-SOIC
Texas Instruments, Ricetrasmettitore, Bus, CAN, Seriale, 4.5V, 5.5V, SOIC, 8 Pin, SMD
error La tua recensione non può essere inviata